ATTENZIONE!!! NON COMPATIBILE CON TM1000 E TM1018
HAI NECESSITA' DI COMANDARE INSIEME E SINGOLARMENTE DUE MOTORI PER TAPPARELLA?
CON LA CENTRALINA RELE' DM2000 PUOI FARLO!
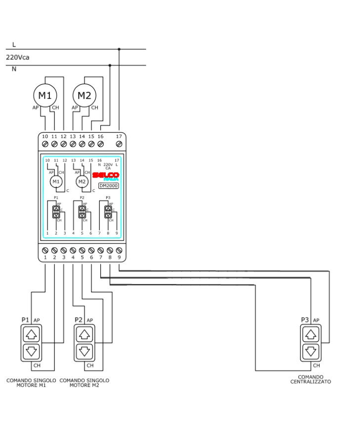
La centralina relè DM2000 permette sia di comandare singolarmente due tapparelle attraverso il doppio pulsante posto in prossimita' delle stesse che di centralizzarne l'apertura e la chiusura attraverso uno o più doppi pulsanti posti in punti appropriati.
Funziona solo a UOMO PRESENTE per cui bisogna tener premuto il pulsante per far muovere le tapparelle.
Un interblocco elettromeccanico impedisce di comandare contemporaneamente le tapparelle da più punti.
É possibile collegare più centraline relè DM2000 per centralizzare il comando di più tapparelle.
SPECIFICHE TECNICHE
Alimentazione: 240 V ca 50Hz
Assorbimento: 10mA
Dimensioni (mm): 90 x 55 x 25(h)
Che differenza c'è tra la Centralina Automazione Tapparelle TM1000 e il relè Comando Multiplo DM2000?
La Centralina Automazione Tapparelle TM1000 è uno SMART device che permette sia il comando della singola tapparella che il comando centralizzato di tutte le tapparelle ed è predisposta per l'utilizzo con un'interfaccia di prossima commercializzazione per il comando da remoto.
Funziona con una semplice pressione temporanea sul pulsante (funzione UOMO ASSENTE) e stacca il relè in automatico quando il motore arriva al fine corsa.
Il Relè Comando Multiplo Tapparelle DM2000 è un semplice interfaccia relè di tipo elettromeccanico che permette di comandare singolarmente e in maniera centralizzata due tapparelle a motore.
Funziona solo tenendo premuto il pulsante (funzione UOMO PRESENTE) e non ha nessuna funzione SMART. La tipica applicazione é quella in cui ci sono due tapparelle affiancate nella stessa stanza. Tuttavia è possibile abbinare più relè DM2000 per poter effettuare una centralizzazione semplificata.
8033673811064
Relé Comando Due Tapparelle / Serrande A Motore
52,73 €
29,00 €
Tasse incluse
Relé Comando Due Tapparelle / Serrande A Motore

